От импортозамещения — к технологической независимости

Изготовление
планетарных редукторов
для валовых прессов
Köppern

1. МОДЕРНИЗАЦИЯ СТУПЕНИ
Перед ООО «НТЦ «РЕДУКТОР» была поставлена задача:

Валковый пресс высокого давления Koppern 500/14,5-1300 ВПВД используется для мгновенного прессования крупнозернистого материала в зазоре между валками.
Данный процесс позволяет преобразовать исходное сырье в твердые пластины, состоящие из мелких частиц и фракций с сеткой микротрещин. Образование этих трещин является ключевым фактором, облегчающим дальнейшее окускование материала.
Модернизацию необходимо было выполнить в следующем объёме:
1. Выполнить расчет трехступенчатого планетарного редуктора Flender P3DH 395 (передаточное отношение i=65,575) с изменением передаточного отношения на i=85,47 в следующих вариантах:
• перерасчет б/х зубчатой пары;
• перерасчет всего редуктора, оставаясь в существующем корпусе;
2. Разработать конструкторскую документацию на изменяемые узлы и детали.
3. При модернизации на основе расчета обеспечить сохранение сервис-фактора редуктора не менее 2,5.
Внешний вид модернизируемого планетарного редуктора

НТЦ «РЕДУКТОР» успешно выполнил поставленную задачу:
Были изготовлены, установлены и испытаны модернизированные входные ступени (левая и правая) для редукторов Flender P3DH 395.
Уникальность работы заключалась в проведении замеров в «полевых» условиях в период ППР.
Несмотря на это, новая быстроходная ступень была успешно интегрирована с оригинальным редуктором Flender.




2. ПРОЕКТИРОВАНИЕ И ИЗГОТОВЛЕНИЕ НОВОГО РЕДУКТОРА
Выполнив поставленную задачу по модернизации быстроходной ступени редукторов Flender P3DH 395 перед НТЦ «РЕДУКТОР» стоял новый вызов: Импортозамещение немецких редукторов Flender с возможностью их установки в существующих габаритах приводной валковой линии ВПВД и использованием существующего электродвигателя Siemens 1LE5 583-4BB790AR3-Z (713кВт, 700A, 44.5Гц, 1330 об/мин).
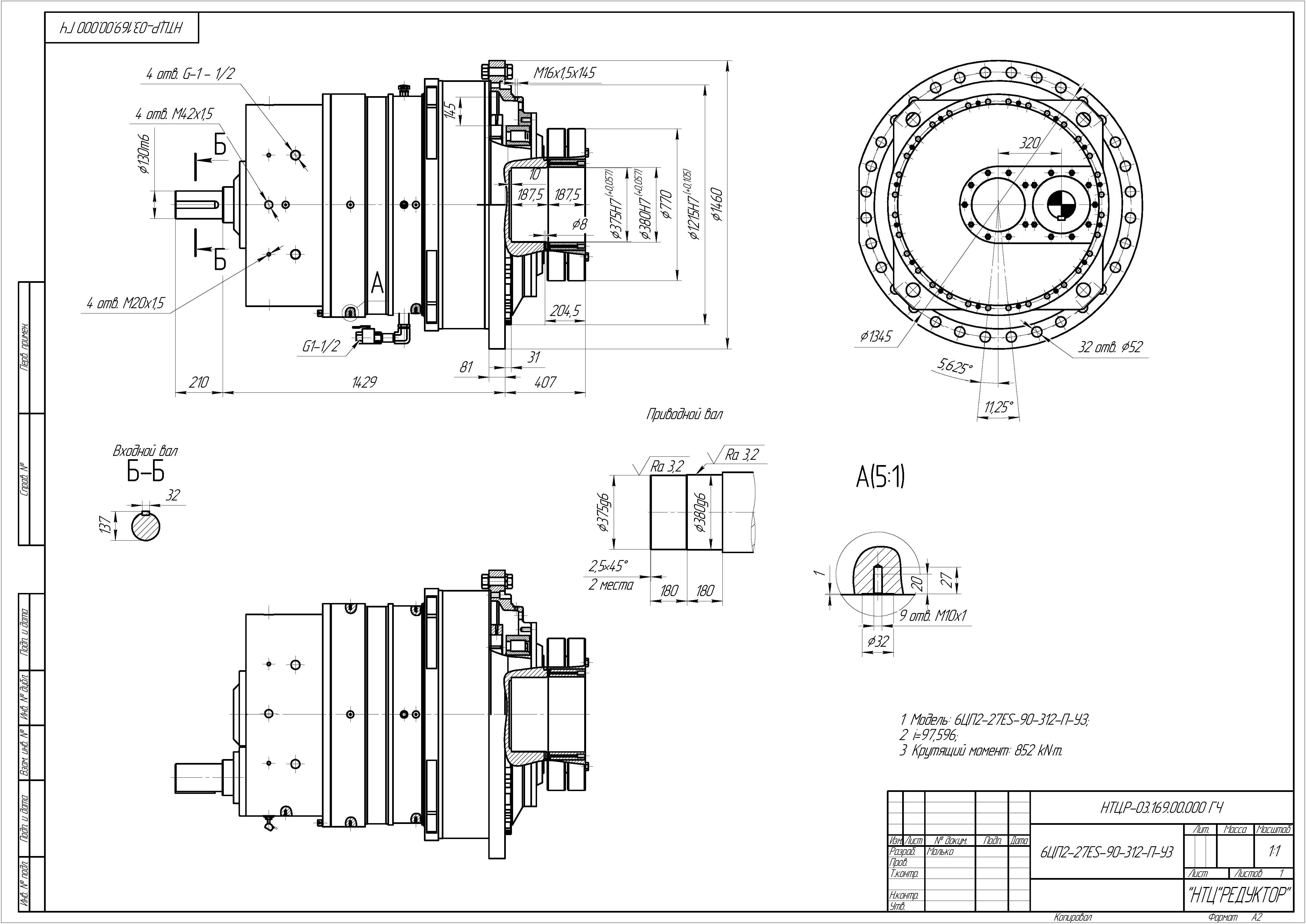
НТЦ «РЕДУКТОР» спроектировал и изготовил специальные планетарные редукторы 6ЦП2-26ES-95-312(314)-П-У3 (левый/правый) в комплекте со стяжными муфтами на выходных валах редукторов, укомплектованные датчиками температуры подшипника и датчиками температуры масла



За 2023-2024 годы НТЦ «РЕДУКТОР» изготовили поставил 7 пар специальных редукторов 6ЦП2-26ES-95-312(314)-П-У3.Находясь на постоянной обратной связи с механиками, эксплуатирующими данное оборудование, учитывая ихпожелания по модернизации оборудования, былипроведены 3 этапа модернизации редукторов 6ЦП2-26ES-95-312(314)-П-У3:
- увеличен модуль зуба быстроходной цилиндрической ступени;
- увеличены габариты подшипников быстроходной цилиндрической ступени;
- модернизирована система смазки подшипниковых узлов быстроходной цилиндрической ступени.
3. НОВЫЕ ЗАДАЧИ И РЕШЕНИЯ ОТ НТЦ «РЕДУКТОР»
В связи с требованием со стороны Заказчика увеличить производительность валковых прессов следующим этапом модернизации редукторов стало увеличение крутящего момента на ~12% на выходном валу редуктора без уменьшения сервисного коэффициента fs. Было принято совместное решение об увеличении габаритного размера редукторов 6ЦП2-26ES-95-312(314)-П-У3 (левый/правый).
В результате накопленного опыта эксплуатации редукторов 6ЦП2-26ES-95-312 (314)-П-У3 (левый/правый), учитывая все пожелания Заказчика НТЦ «РЕДУКТОР» спроектировал, изготовил и поставил специальные редукторы 6ЦП2-27ES-90-312 (314)-П-У3. При проектировании была учтена унификация узлов, которая в результате упростила ремонт оборудования и закупку запчастей.
Данные редукторы поставляются уже в комплекте с системами охлаждения и специальными реактивными кронштейнами.


Редукторы 6ЦП2-27ES-90-312(314)-П-У3 также подверглись модернизации:
- адаптирован реактивный кронштейн под оборудование заказчика;
- для крепления реактивного кронштейна были применены прецизионные болты повышенной прочности;
- оптимизированы места крепления датчиков вибрации, смотровые окна уровня масла, а также точки подачи масла в зону зацепления и подшипниковые узлы;
- выходной вал выполнен в разрезном виде и точками для подключения гидравлического инструмента для улучшения демонтажа редуктора при приведении ППР или в случае аварийной ситуации;
- оптимизирована конструкция входной цилиндрической ступени (увеличили подшипники и посадочные места под них);
Достигнув всех поставленных целей по надежности и производительности, модернизация редукторов 6ЦП2-27ES-90-312(314)-П-У3 подтвердила свою эффективность и возможность работы на повышенных нагрузках без риска поломок, уменьшив частоту отказов, снизив затраты на ремонт и незапланированные остановки производства.
Менеджер - технолог,
Осипова Наталья Владимировна
8 (812) 777-89-00 , доб 30
8 (921) 357-95-89
n.osipova@ntc-r.ru

Внедренный опыт может и будет тиражирован на другие типы оборудования и проекты НТЦ «РЕДУКТОР».